|
Auteur :
WARME R.
Doc. ELEVE.
|
||
|
NOM : ……………………………… |
Prénom : ………………………….. |
Classe :………………….. |
|
Année scolaire : ……………………… |
Dossier
pris le : ……/………/……… |
Validation
de la formation : O -
N Le : …………………………………….. Nom
du formateur : …………………… |
|
ETABLISSEMENT :
………………………………………….. |
||
En
RESUME : (niv V)
Notion
de volume. — Tout
solide occupe une portion déterminée de l’espace appelée « volume de ce
solide ».
L’égalité
de deux volumes, les diverses opérations sur les volumes se définissent comme
cela a été fait pour les surfaces planes. Ainsi, le volume du polyèdre obtenu après
juxtaposition de deux polyèdres donnés et suppression de la portion de face
commune est, par définition, la somme des volumes de ces deux polyèdres. Cette
juxtaposition peut se réaliser d’une infinité de façons et les divers polyèdres
ainsi obtenus ne sont pas égaux, mais ont même volume, ils sont dits
équivalents.
Deux polyèdres équivalents sont deux polyèdres
qui ont même volume.
Unité
de volume. — Les
volumes sont donc des grandeurs mesurables.
On
choisit pour unité de volume le volume du cube ayant pour arête l’unité de
longueur.
A chaque
unité de longueur correspond ainsi une unité de volume. L’unité principale de
volume est le mètre cube (m3); on peut aussi utiliser le décimètre
cube (dm3), le centimètre cube (cm3), etc.
Dans les
énoncés relatifs aux mesures des volumes nous conviendrons que
1°) Toutes les longueurs sont mesurées avec la même
unité. (dans un calcul il faut « homogénéiser » les dimensions , Càd
les exprimer dans la même unité de mesure)
2°) Les surfaces et les volumes sont mesurés avec
les unités de surface et de volume correspondant à l’unité de longueur adoptée.
Il
n’existe pas de mot pour désigner la mesure d’un volume (
tel que le mot « aire » pour la mesure d’une surface). Nous
conviendrons, dans ce qui suit, que l’expression « volume d’un solide
désigne en réalité la mesure de son volume de même que tout « segment»
désigne la mesure de ce segment.
On
retiendra le Théorème suivant
Le
volume d’un parallélépipède rectangle est égal au produit de ses trois
dimensions.
|
Leçon |
Titre |
|
|
N°19 |
GEOMETRIE ESPACE et "AIRE et VOLUME de solides usuels" |
|
|
CHAPITRES |
:Info + Cd |
|
|
I
) Les Unités de volume : le mètre cube ( solide ) et le litre ( liquide). |
||
|
II )Les conversions : de « litre » Þ en « cube » ; de « cube »Þ en
« litre » . |
||
|
|
||
|
1°) description |
||
|
2°) représentation en
perspective cavalière . |
||
|
3°) développement |
||
|
4°) Aire et volume. |
||
|
|
||
|
1°) description |
||
|
2°) représentation en
perspective cavalière . |
||
|
3°) développement |
||
|
4°) Aire et volume. |
||
|
|
||
|
1°) description |
||
|
2°) représentation en
perspective cavalière . |
||
|
3°) développement |
||
|
4°) Aire et volume. |
||
Dictionnaire : voir la définition de parallélépipède , parallélépipédique ,
i : Les deux unités de mesure de volume à
connaître sont : le mètre cube (ses
multiples et ses sous multiples) utilisé pour mesurer les volumes des
solides et le litre unité
utilisé pour mesurer les volumes des liquides , ou matière en poudre ou
granulée ( farine , les céréales……) .
Lire : « m » pour « mètre »
a) L'unité principale est le « mètre cube » : symbole m 3 Lire : Exposant « 3 » ,ou puissance « 3 » ou « au cube »
( le mètre cube est un cube de 1 mètre de côté ) 
D’autres unités sont utilisées dans la vie
courante sont les sous multiples :
le décimètre cube :
dm3 (c'est un cube de 1 dm d'arête)
le
centimètre cube : cm3 (c'est un
cube de 1 cm d'arête)
le
millimètre cube : mm3 (c'est un
cube de 1 mm d'arête)
1b ) L’unité de capacité :
les mesures de capacités
sont utilisées pour mesurer des volumes occupés par les liquides.
L'unité de capacité est le
litre ; c'est le volume occupé par 1 kilogramme d'eau pure à son maximum de densité. Le litre correspond
au volume occupé par un cube de un
décimètre de côté .
1 mètre cube vaut donc 1 000
litres .(ou 1 kilolitre)
il
faut savoir que 1 décimètre cube ( dm3) contient un volume
équivalent à 1 litre d’eau pur à 4° Centigrade .
· mesures équivalentes :
1dm3 = 1 l ; Un litre = 100 cl ; 100 cl = 1 dm3 = 1000 cm3 donc 1cl
= 10 cm3
et 1m3 = 1000
dm3 = 1 000
litres .
i
les 2 unités de base
utilisées au quotidien sont :
|
B
) Le décimètre cube : ( symbole : dm3 ) et le litre ( l
) |
iDans la vie quotidienne : contenance de matériel de cuisine ( verre
, bouteille , flacon ) , dans les recettes de cuisine ( mélange , et proportion
de liquide et solide ) , dans le commerce des produits liquides ( sauce
,boissons, parfum ou autres liquides ),
, on utilise couramment et indifféremment le décimètre cube et ses sous
multiples ( le centimètre cube et le
millimètre cube ) et le litre et ses
sous multiples ( décilitre , centilitre , millilitre ).
Souvent il est nécessaire de savoir
passer de l’une à l’autre de ces unités
( on dit « convertir » ) , au risque de ne pas réussir soit une
recette ,soit un achat et donc d’être mécontent .
Voir i Cd
sur le
: « Décimètre » et
le « cube »
=Ci dessous nous montrons que le
« décimètre cube » contient 1000 cubes ayant chacun 1 cm d'arête .
|
A) Soit un cube de 1 cm de
côté . |
|
|
B) 10 cubes de 1cm d'arête forment une barrette de 1 dm de longueur. ( 10 cm = 1dm) |
|
|
C ) 10 barrettes forment une plaque carré de 1 dm de côté . Cette plaque contient 100
cubes de 1 cm d'arête. |
|
|
D ) 10 plaques de 1cm
d'épaisseur , mesure un décimètre de hauteur. Ces 10 plaques contiennent
chacune 100 cubes de 1 cm d'arête. Le cube de 1 dm d'arête
contient donc 10 fois 100 cubes de 1cm cube . soit 1000 cm cube. Donc : 1 dm 3 =
1 000 cm3 |
|
En utilisant la
démonstration ci dessus nous pourrions montrer ainsi que 1 cm3
contient 1000 cubes de 1 mm
de côté.
(
1 cm3 = 1000 mm3
)

Avec
les exemples précédents , il nous est possible d'obtenir
ce tableau :
|
Symbole |
Correspondance en m3 en
valeur décimale et sous forme de puissance de 10 |
|
|
Kilomètre cube |
km3 ( = 1000m)3 |
1 km3 =1 000 000 000 m3 = 1 ´ 10 9 m3 |
|
Hectomètre cube |
h m3 ( = 100m)3 |
1 h m3 = 1 000 000 m3 = 1 ´ 10 6 m3 |
|
Décamètre cube |
da m3 ( = 10m)3 |
1da m3 = 1 000 m3 = 1 ´ 10 3 m3 |
|
Mètre cube |
m3 ( = 1m)3 |
1 m3 = 1´ 10 0 m3 |
|
Décimètre cube |
d m3 ( = 0,1m)3 |
1 d m3 =
0 , 001 m3 = 1 ´ 10 -3 m3 |
|
Centimètre cube |
c m3 ( = 0,01m)3 |
1 c m3 =
0, 000 001 m3 = 1 ´ 10 -6 m3 |
|
Millimètre cube |
m m3 ( = 0,001m)3 |
1 m m3 = 0 , 000 000 001m3 = 1 ´ 10-9 m3 |
( cliquer ici
: pour voir les unités de volume et
l'utilisation des puissances de dix)
Dans le cadre des calculs on
utilisera les puissances de dix , dans le cadre de conversion on utilisera plus
facilement le tableau de conversion ci dessous .

|
II )LE TABLEAU DE
conversion
. ( volumes et capacité ) |
i Ci dessous est tracé le tableau qui permet d’effectuer les conversions des unités de volume couramment utilisées , tableau qu’il faut savoir construire sur feuille , et utiliser : Prendre une ligne par exercice !
|
km3 |
hm3 |
dam3 |
m3 |
dm3 |
cm3 |
mm3 |
||||||||||||||
|
|
|
|
|
|
|
|
|
|
|
|
kl |
hl |
dal |
l |
dl |
cl |
ml |
|
|
|
|
|
|
|
|
|
|
|
3 |
2 |
2 |
4 |
|
|
|
|
|
|
|
|
|
|
|
|
|
|
|
|
|
|
|
|
|
|
|
|
|
|
|
|
|
|
|
|
|
|
|
|
|
|
|
|
3 |
2 |
2 |
4 |
0 |
0 |
0 |
0 |
0 |
0 |
0 |
|
|
|
|
|
|
|
|
|
|
|
|
|
|
|
|
|
|
|
|
|
|
|
|
|
|
|
|
|
|
|
|
|
|
|
|
|
|
|
|
|
|
|
|
|
|
|
Remarquez que chaque
colonne principale exprimée
en « cube » (exemple : dm3 ) est subdivisée en 3 sous colonnes , les unités de
capacité occupe une colonne , réparties
de chaque côté de l’unité « litre » , qui occupe la
première sous- colonne des dm3
Pour les besoins de
compréhension ce cours vous propose deux La démarche
( I )
concernant l’explication de la
conversion avec un tableau dit
« simplifié » doit vous servir à comprendre le déplacement de la
virgule ,mais vous retiendrez la
démarche du chapitre II ( il faut savoir dessiner le tableau et énoncer la procédure de conversion ) .
|
II - 1 ) Première démarche explicative sur la méthode de
conversion en utilisant le tableau
« non simplifié » : |
œ |
A) Tableau de type
« non simplifié » : « à gauche » de la virgule se trouve l'unité choisie (ou
désignée) à droite de la virgule se trouve la partie décimale de l'unité
choisie ou désignée )
Pour
apprendre l’exploitation du tableau , on applique, dans ce qui suit, la méthode utilisée dans les conversions
d’aire.
Ici une sous- colonne "virgule" sépare les « unités », dans cette colonne se déplace la virgule.
|
km3 |
|
hm3 |
|
dam3 |
|
m3 |
|
dm3 |
|
cm3 |
|
mm3 |
|
||||||||||||||
|
|
|
|
|
|
|
|
|
|
|
|
|
|
|
|
|
|
|
|
|
|
|||||||
|
|
|
|
|
|
|
|
|
|
|
|
|
|
|
|
|
|
|
|
|
|
|||||||
|
B ) Procédure permettant de transformer l ' unité de volume en multiples ou sous multiples à partir
d'une grandeur donnée. |
Exemple de conversion 32,24
dam3= ? ……..dm3
Pour remplir le tableau en vue de faire une
conversion il faut respecter la procédure
suivante:
1°) placer la virgule du
nombre donné sur le trait vertical "droit" de l'unité donnée.( da m3
, )
|
km3 |
|
hm3 |
|
dam3 |
, |
m3 |
|
dm3 |
|
cm3 |
|
mm3 |
|
||||||||||||||
|
|
|
|
|
|
|
|
|
|
|
|
|
|
|
|
|
|
|
|
|
|
|||||||
2°) placer les chiffres du
nombre dans en respectant l ' ordre
donné :
|
km3 |
|
hm3 |
|
dam3 |
, |
m3 |
|
dm3 |
|
cm3 |
|
mm3 |
|
||||||||||||||
|
|
|
|
|
|
0 |
0 |
3 |
2 |
2 |
4 |
0 |
0 |
0 |
0 |
0 |
0 |
|
|
|
|
|||||||
i maintenant que la "grandeur" est placée dans le
tableau ,la conversion peut se faire simplement:
3°) il faut déplacer le virgule
; la mettre sur le trait vertical "droit" de l' unité
"demandée " (d m3 , ) compléter de "zéros" éventuellement !
|
km3 |
|
hm3 |
|
dam3 |
|
m3 |
|
dm3 |
, |
cm3 |
|
mm3 |
|
||||||||||||||
|
|
|
|
|
|
0 |
0 |
3 |
2 |
2 |
4 |
0 |
0 |
0 |
0 |
0 |
0 |
|
|
|
|
|||||||
4° ) il suffit de reporter le résultat
, (lu sur le tableau )
32 , 24 dam 3
= 32 240 000 , 0 soit
32 240 000 dm3
remarque : la virgule est dite
« flottante » ;elle se trouve toujours sur le trait vertical
"limite droite" de l 'unité concernée.
|
II - 2 ) Procédure à retenir sur l ’
exploitation du tableau pour
effectuer une conversion: |
œ |
Dans le tableau type
suivant , la virgule se déplace sur le trait vertical séparant les
colonnes .
Exemple : faire la conversion 32,74
dam ² = …? ……..dm²
Solution : il
faudra respecter l’ordre chronologique
suivant :
Partie entière Partie décimale km3 hm3 dam3 m3 dm3 cm3 mm3
Reprise
de l’activité précédente :
Convertir 32 , 74 dam 3
en ….. dm3
procédure : Après avoir
tracé le tableau :
1°) Placer la virgule sur le
trait vertical « droit » des dam 3
2°)
Placer les chiffres : 2 ; 3 ;
7 ; 4 (pour des raisons pratiques et
éviter des erreurs d’oubli il faut
placer les chiffres en partant de la virgule en allant de droite à gauche pour
la partie entière et de gauche à droite
pour la partie décimale )
3°) Remplir les cases vides
de « 0 »
4°) Déplacer la virgule sur le trait vertical
« droit » de l’unité demandée.
5°) Rendre compte .
|
km3 |
hm3 |
dam3 |
m3 |
dm3 |
cm3 |
mm3 |
||||||||||||||
|
|
|
|
|
|
|
|
|
|
|
|
|
|
|
|
|
|
|
|
|
|
|
(1) |
|
|
|
|
|
|
3 |
2 |
7 |
4 |
|
|
|
|
|
|
|
|
|
|
|
|
|
|
|
|
|
|
|
|
|
|
|
|
|
|
|
|
|
|
|
|
|
(2) |
(3) |
(4) |
|
|
0 |
0 |
3 |
2 |
7 |
4 |
0 |
0 |
0 |
0 |
0 |
0 |
0 |
|
|
|
|
|
|
|
|
|
|
|
|
|
|
|
|
|
|
|
|
|
|
|
|
|
|
|
|
|
|
|
|
|
|
|
|
|
|
|
|
|
|
|
|
|
|
|
|
|
|
|
|
|
|
|
|
|
|
|
|
|
|
|
|
|
|
|
|
|
|
|
|
|
|
|
|
|
|
|
|
|
|
|
|
|
|
|
|
|
|
|
|
|
|
|
|
|
|
|
|
|
|
|
|
|
|
|
|
|
|
|
|
|
|
|
|
|
|
|
|
|
|
|
|
|
|
|
|
|
|
|
|
|
|
|
Résultat :
Mais aussi :
32,74 dam 3 = 32
740 000 dm3 = 32 740 m3 = 0,032 74 hm3 = 32 740 000 000 000 mm3
= 32 740 000 000 cm3
Activités 1 :
1°) Placer
1 765 , 798 m3 ; 5,3 m3 ; 78 507 dm3 ; 2854 cm3 ; 5 832 mm3
dans le tableau ci - dessous : ( tracer autant de lignes que d’exercices de conversion )
|
km3 |
|
hm3 |
|
dam3 |
|
m3 |
|
dm3 |
|
Cm3 |
|
mm3 |
|
||||||||||||||
|
|
|
|
|
|
|
|
|
|
|
|
|
|
|
|
|
|
|
|
|
|
|||||||
1 765 , 798
m3 ; 5,3 m3 ; 78 507 dm3 ; 2854 cm3 ; 5 832 mm3
Activités 2 :
Convertir :
1 765 , 798
m3 en ………………………………dm3
5,3 m3 = ………………………..dm3
78 507 dm3 = ……………………m 3
2854 cm3 = ……………………m3
5 832 mm3 = …………………….cm3
Activité 3 : Convertir successivement : ( il suffit pour trouver les conversions successives de déplacer la virgule et de relever le résultat
.
1 765 , 798 m3 en ………………………………dm3
1 765 , 798 m3 en
………………………………dam3
5,3 m3 = ………………………..dm3 = ……………………cm3 ;
78 507 dm3 = ……………………m 3 = ……………………cm3;
2854 cm3 = ……………………m3 =……………….dm3
= …………….mm3 ;
5 832 mm3 =
…………………….cm3 =
……………………………….dm3
= Préambule « CAPACITE » :puisque
1 dm 3 est égal à 1 litre ,
nous mémoriserons le tableau des
valeurs équivalentes ci dessous :
|
dm3 |
cm3 |
mm3 |
||||||
|
hl |
dal |
l |
dl |
cl |
ml |
|
|
|
|
B ) Mesure de
capacité : |
=Instruments
de mesure :
a ) Les mesurent pour les
liquides
|
Les mesurent pour les
liquides sont en étain ; le cylindre a une hauteur double de son
diamètre . Les dimensions du litre sont « diamètre » : 86
millimètres ; hauteur :172 mm. |
|
b ) Les mesurent pour les
matières sèches
|
Pour les matières sèches ,
telles que les grains , les mesures sont en bois . La hauteur du cylindre est
égale à son diamètre . La rafle , est une
planchette , elle sert à niveler , à retirer le surplus.
|
|
=Une
autre unité de volume est utilisée
pour mesurer des liquides . Cette unité de capacité appelée : le litre .
1 litre = 100 cl ( = 1 dm3 )
Le tableau de conversion :
|
kl |
hl |
dal |
l |
dl |
cl |
ml |
|
|
|
|
|
|
|
|
|
|
|
|
|
|
|
|
=
Activités : pour vous amuser vous rechercherez les volumes donnés pour les récipients ci dessous
, ensuite vous les
convertissez dans l’autre unité :
|
Nom
du récipient |
Donnez
les capacités en : l ; dl , cl , ml |
|
Exemple :
1Demi de bière |
0,25 l ; 2,5
dl ; 25 cl ; 250 ml |
|
Une
cuillerée à café |
|
|
Une
cuillerée à soupe |
|
|
Une
tasse à café |
|
|
Une
assiette à soupe |
|
|
Un bol
|
|
|
Une
brique de jus de fruit. |
|
|
Verre
à eau |
|
|
Verre
à vin |
|
|
Bouteille
de vin |
|
|
Bouteille
d’eau |
|
|
Flacon
de parfum |
|
|
Un
seau d’eau |
|
|
Une
baignoire |
|
|
Un
cumuls d’eau chaude |
|
|
Un
réservoir de carburant. |
|
|
|
|
|
|
|
A vous de compléter le tableau
! ! !
puisque 1
l = 1 dm3 , nous pouvons insérer
le tableau précédent dans le tableau des « volumes cubes»
|
m3 |
dm3 |
cm3 |
||||||
|
|
|
kl |
hl |
dal |
l |
dl |
cl |
ml |
|
|
|
|
|
|
|
|
|
|
|
C) CONVERSIONS
: passage d’une capacité à un volume
« prismatique » |
=
Puisque 1 dm 3 est égal
à 1 litre , nous mémoriserons le
tableau des équivalences ci
dessous :
|
dm3 |
cm3 |
mm3 |
||||||
|
hl |
dal |
l |
dl |
cl |
ml |
|
|
|
=
Activités : Reprendre les valeurs trouvées ci - dessus et pour vous amuser vous rechercherez les volumes donnés pour les récipients ci dessous
, ensuite vous les
convertissez dans l’autre unité :
|
Nom du
récipient |
base
le dm3 = ….. cm3= ……. m m3 |
Capacité : L ;
dl , cl , ml |
|
Exemple : 1Demi de bière |
=
0,25 dm3 ; 250 cm3 , 250 000 m m3 |
0,25 l ; 2,5 dl ;25 cl ; 250
ml |
|
Une
cuillerée à café |
|
|
|
Une
cuillerée à soupe |
|
|
|
Une
tasse à café |
|
|
|
Une
assiette à soupe |
|
|
|
Un bol
|
|
|
|
Une
brique de jus de fruit. |
|
|
|
Verre
à eau |
|
|
|
Verre
à vin |
|
|
|
Bouteille
de vin |
|
|
|
Bouteille
d’eau |
|
|
|
Flacon
de parfum |
|
|
|
Un
seau d’eau |
|
|
|
Une
baignoire |
|
|
|
Un
cumuls d’eau chaude |
|
|
|
Un
réservoir de carburant. |
|
|
|
|
|
|
|
|
|
|
=Le tableau suivant doit être
mémorisé : ( attention : puissance
« 3 » ; 3 sous colonnes par unité considérée)
|
km3 |
hm3 |
dam3 |
m3 |
dm3 |
cm3 |
mm3 |
||||||||||||||
|
|
|
|
|
|
|
|
|
|
|
|
kl |
hl |
dal |
l |
dl |
cl |
ml |
|
|
|
|
|
|
|
|
|
|
|
|
|
|
|
|
|
|
1 |
0 |
0 |
0 |
|
|
|
|
|
|
|
|
|
|
|
|
|
|
|
|
|
|
0 |
1 |
0 |
0 |
|
|
|
|
|
|
|
|
|
|
|
|
|
|
|
|
|
|
0 |
0 |
1 |
0 |
|
|
|
|
|
|
|
|
|
|
|
|
|
|
|
|
|
|
|
|
|
1 |
|
|
|
|
|
|
|
|
|
|
|
|
|
|
|
|
|
1 |
0 |
|
|
|
|
|
|
|
|
|
|
|
|
|
|
|
|
|
|
|
1 |
0 |
0 |
|
|
|
|
|
|
Remarques :
conversions à savoir faire mentalement .
1 litre = 10 dl = 100 cl = 1000ml
= 1 dm3 = 1000 cm3
1 dl = 0,1 l = 100 cm3 = 10
cl = 100 ml ; ……
1cl = …….l = …… cm3 =
……….dl = …………. ml .
Il faut savoir reproduire le tableau ci dessous ( d’abord
sur papier ; puis mentalement )
Les
corrigé sont à la fin du cours .
|
III ) LES 3 SOLIDES USUELS
: CUBE ;
PARALLELEPIPEDE RECTANGLE ; CYLINDRE . |
|
1°) description du cube . |
Les faces :
6 faces carrées : Les faces
opposées sont parallèles deux à deux
et les faces ayant une arête
commune sont perpendiculaires .
Chaque face étant un
carré , les arêtes opposées d'une face sont parallèles .
|
|
|
|
Les arêtes : Il possède 12 arêtes de même longueur . Les arêtes aboutissant à un même sommet sont
perpendiculaires deux à deux . |
|
Les sommets :
|
Il a 8 sommets. * 3 arêtes aboutissent à
chaque sommet . |
|
|
2° ) représentation du
cube en perspective cavalière . |
Exemple: de
représentation en perspective d'un cube

|
INFORMATION
sur la Perspective
cavalière : |
(en perspective cavalière la « vue de
face » est en vraie grandeur) |
|
C’est la perspective dont
l’exécution est la plus simple ; elle convient très bien aux dessins
rapides , mais elle déforme sensiblement l’objet représenté. Principe : Toutes les faces frontales
sont dessinées en vraie grandeur. Toutes les arêtes non
frontales se dessinent suivant des « fuyantes »
inclinées d’un même angle µ (lire :
angle alpha) et sont réduites dans un rapport appelé : |
|
La
perspective cavalière d'une figure est
caractérisée par l'angle µ ( alpha) et le coefficient "k" .
- Le parallélisme est conservé : les arêtes parallèles sont représentées par des segments parallèles .
-
les
fuyantes , ou lignes de fuite , parallèles
entre elles font un angle µ avec l'horizontale .
Par exemple
: sur les fuyantes , avec k = 0,6 , une arête de longueur 5 cm est représentée
par un segment de longueur : 3 cm ( 5 cm
fois 0,6 )
|
3°) développement du cube . |
Prenons le cube suivant ( les sommets sont repérés par des
lettres):

Ci dessous on obtient le "développement" du
cube ci- dessus . la figure obtenue est aussi appelée : patron.
|
2 bases et une surface latérale ( 4 carrées alignés)
|
Pour se souvenir :
Si le cube est une pièce
d'habitation .
La base 1 est la face supérieure c'est le plafond ; la base 2 est la face
inférieure , c'est le sol de la pièce .
La surface latérale est le développement des murs .
|
4° ) Aire et volume. |

Les arêtes ont la même longueur .
Si la
longueur de l'arête est notée
"a" .
Aire latérale ( 4 faces )
: A = 4 a²
Aire totale ( 6 faces)
: A = 6 a²
Volume du cube : V
= a3
Application :
Un cube a une
arête de longueur "a
= 30 mm"
Calculer :l' aire latérale (
en mm² et cm² ) , l'aire totale ( cm²)
, le volume du cube ( mm3 puis cm3 ) .
Solution :
Aire latérale ( 4 faces
) :
A = 4 a²
; A = 4 fois 30 fois 30 = 4
30
30 = 3 600 mm² ; ou
36 cm²
Aire totale ( 6
faces) :
A = 6 a²
; A = 6 fois 3 fois 3 = 6
3
3 = 54 cm²
Volume du cube :
V = a3
; V = 30
30
30 = 27 000 mm3 ou 27
cm3
|
1°) description |
|
Il possède 6 faces : Les deux faces
horizontales sont les bases. Les quatre
autres faces sont dites « latérales »(l’ensembles des quatre faces
assemblées est appelé : surface prismatique ) Il
possède : 8
sommets : A ; B ;C ;D ;G ;H ;
E ; F 12
arêtes : ce sont les bords des faces qui le limitent ,(on dit
aussi « intersection de deux
plans » ) |
|
|
Les faces sont des rectangles .
|
Comme pour le cube , les
arêtes aboutissant à un même sommet sont perpendiculaires deux à deux , les
faces opposées sont parallèles deux à deux
et les faces ayant une arête commune sont perpendiculaires .
Chaque
face étant un rectangle , les arêtes opposées d'une même face sont parallèles .
|
2°) représentation en perspective cavalière. |
( voir la perspective d'un
cube)

Pour effectuer la
perspective cavalière du parallélépipède rectangle il faut connaître comme dimensions : la longueur , la
hauteur , la largeur , ( ou profondeur)
, le coefficient "k" , et l'angle alpha . Procédure : tracer la face en vraie grandeur , puis les
fuyantes inclinées de alpha par rapport à l' horizontal . Calculer la longueur
des fuyantes , limiter la longueur des fuyantes , tracer les verticales .
Activité :
De la même façon que pour le
cube , représenter en perspective cavalière un parallélépipède rectangle de
longueur 7 cm , de largeur
5 cm et de hauteur 3 cm avec un angle "alpha" = 45 °
et "k" = 0 , 6
|
3° ) développement |
L’enveloppe du parallélépipède peut se « déplier » sur un plan .

La figure obtenue s'appelle le "patron"
du parallélépipède.
|
4° ) Aire et volume. |
Si l'on assimile le parallélépipède à la forme d'une pièce d' habitation :
Une base est le plafond
; l'autre base est le sol ; les parois verticales sont les côtés latéraux .

La longueur est notée :
L ; la largeur : l
: la hauteur : h .
Formules :
Aire latérale ( somme des
aires des côtés latéraux ) :
A l = 2 h ( L + l
)
Aire totale ( somme des aires des côtés latéraux et des
bases ) :
A t = 2 h ( L + l ) + 2 L l
Volume du parallélépipède
rectangle :
V = L l
h
Remarque : pour les calculs les dimensions doivent être exprimées dans la
même unité de longueur .
Activités
« calculs »:
Un parallélépipède
rectangle a pour dimensions : L =
7,5 cm ; l = 50 mm ; h = 0,2 dm .
Calculer l'aire
latérale , l'aire totale ( exprimées en
cm² et mm² ) et le volume ( exprimé en mm 3 et cm3 ).
Solution :
1°) on convertit dans la
même unité ( cm) les dimensions :
L = 7,5 cm = ; l = 50 mm = 5 cm ; h = 0,2 dm = 2 cm .
2°) Aire latérale ( somme
des aires des côtés latéraux ) :
A l = 2 h
( L + l ) = 2
2 ( 7,5 + 5 ) = 50 cm²
; = 5000 mm²
3°) Aire totale ( somme des aires des côtés latéraux et des
bases ) :
A t
= 2 h ( L + l ) + 2 L l
= 2
2 ( 7,5 + 5 ) + 2
7,5
5 ;
= 50 + 75 cm² = 125
cm²
4°) Volume du parallélépipède rectangle :
V =
L l h = 7,5
5
2 = 75 cm3
|
1° ) description |
Le cylindre est obtenu en
faisant tourner le rectangle OAA'O' autour de l'axe ( OO')

caractéristiques :
- le rayon est la largeur du
rectangle : r = lg [OA] = lg [O' A']
- la hauteur "h" est la longueur du segment A A' .
|
2°) représentation en perspective cavalière . |
Les bases du cylindre
sont des disques . En perspective ces disques sont des "ellipses"
. ( voir le tracé des ellipses )

Ellipse : base
|
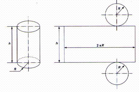
3° ) développement |
Le
développement du cylindre se compose d'un rectangle dont la longueur ;
L = 2p R et la largeur "l = h " et de deux
disques dont un porte le nom de
"base" , l'autre étant la face
supérieure .

|
4°) Aire et volume. |
Voir le dessin ci dessus :
La hauteur étant notée :
"h" et le rayon : "R"
L'aire latérale : A l
= 2p R h .
L'aire de la base ( et de la
face supérieure ) : A b = p R ²
L'aire totale ( l'aire latérale + l'aire des deux disques)
= 2p R h + (2p R ² )
Volume :
V = aire d'une base
hauteur ; V =
p R ² h
Remarque
importante : ne pas oublier d' homogénéiser les unités de longueurs!!
Application:
Un cylindre a pour dimensions : h = 110 mm et
R = 52 mm ; prendre
pi = 3,14
Calculer L'aire
latérale ( en mm² et cm² ) ; L'aire de
la base ( en mm² et cm² ); L'aire totale ( en mm² et cm² ); le volume ( en mm3
et cm3 ).
Solution :
a) L'aire latérale :
A l
= 2p R h . ; A l
= 2
3,14
52
110 =
35921,6 mm² ou 359 , 216 cm²
b) L'aire de la base ( et de
la face supérieure ) :
A b = 2p R ² ; = 2
3,14
52
52 = 16981,12
mm² soit 169 ,8112 cm²
c) L'aire totale ( l'aire latérale + l'aire des deux disques)
:
A t = 2p R h + 2 (2p R ² )
= 35921,6 + 16981,12 =52902,72
mm² ou 529, 0272 cm²
d) Volume
: V = aire d'une base
hauteur ;
V = 2p R ² h ; 2
3,14
52
52
110 = 1867923,2 mm3 ou 1867,9232 cm3
Corrigé
des activités :
1°) solutions :
|
km3 |
|
hm3 |
|
dam3 |
|
m3 |
, , |
dm3 |
, |
cm3 |
, |
mm3 |
, |
||||||||||||||
|
|
|
|
|
|
|
|
|
1 |
7 |
6 |
5 |
7 |
9 |
8 |
|
|
|
|
|
|
|||||||
|
|
|
|
|
|
|
|
|
|
|
5 |
3 |
|
|
|
|
|
|
|
|
|
|||||||
|
|
|
|
|
|
|
|
|
|
|
7 |
8 |
5 |
0 |
7 |
|
|
|
|
|
|
|||||||
|
|
|
|
|
|
|
|
|
|
|
|
|
|
|
2 |
8 |
5 |
4 |
|
|
|
|||||||
|
|
|
|
|
|
|
|
|
|
|
|
|
|
|
|
|
|
5 |
8 |
3 |
2 |
|||||||
Solutions : on reprend le tableau rempli
dans l’activité 1
On
fait dans l’ordre : On complète de zéro ; on retire la virgule ; la
déplacer dans la colonne de droite de
l'unité demandée.
|
km3 |
|
hm3 |
|
dam3 |
|
m3 |
,, |
dm3 |
,, |
cm3 |
, |
mm3 |
|
||||||||||||||
|
|
|
|
|
|
|
0 |
0 |
1 |
7 |
6 |
5 |
7 |
9 |
8 |
0 |
0 |
0 |
0 |
0 |
0 |
|||||||
|
|
|
|
|
|
|
|
|
0 |
0 |
5 |
3 |
0 |
0 |
0 |
0 |
0 |
0 |
0 |
0 |
0 |
|||||||
|
|
|
|
|
|
|
|
|
|
0 |
7 |
8 |
5 |
0 |
7 |
0 |
0 |
0 |
0 |
0 |
0 |
|||||||
|
|
|
|
|
|
|
|
|
|
0 |
0 |
0 |
0 |
0 |
2 |
8 |
5 |
4 |
0 |
0 |
0 |
|||||||
|
|
|
|
|
|
|
|
|
|
|
0 |
0 |
0 |
0 |
0 |
0 |
0 |
5 |
8 |
3 |
2 |
|||||||
1
765 , 798 m3 = 1
765 798 dm3 ;
5,3
m3 = 53 000 dm3
78 507 dm3 = 78, 507 m 3
2854 cm3 = 0, 002 854 m3
5 832 mm3 = 5 , 832 cm3
|
|
|
|
|
|
Corrigé : Une cuve à fuel, en tôle, a la forme d’un cylindre de
révolution ayant 2 m de diamètre et
3,50 m de long. La surface latérale a été mise en forme et soudée suivant
l’une de ses génératrices. Les deux bases sont assemblées à la surface
latérale par soudure. Calculer : a) la
longueur totale du cordon de soudure nécessaire à la réalisation de la cuve. Périmètre de base
circulaire : 3,14 fois 2 = 6,28 , soit 6,28 m ; la longueur totale
du cordon de soudure : ( 6,28 fois 2) + 3,5 = 16 ,06 , soit 16,06
m; b) L’aire de
l’une des bases. 3,14 fois 1² = 3,14 fois 1 = 3,14
soit 3,14 m². c) L’aire
latérale de la cuve. 6,28 fois 3,5 = 21,98 ,
soit 21,98 m² d) La surface
de tôle nécessaire à la construction de la cuve ; 21,98 + ( 3,14 fois 2)
= 21,98 + 6,28 = 28,26 e) Le volume
de la cuve en m3 et la
capacité en litres ;3,14 fois 3,5 = 10,99 soit 10,99 m3 ;
capacité en litres : 10,99 m 3 , 10990 dm3
soit 10 990 litres. f) La masse
de fuel contenue dans la cuve pleine ( masse volumique du fuel : 850
kg/m3 ) : 10,99 fois 850 = 9 341,5 , soit 934,5 kg. On prendra : π = 3,14 . On effectuera les calculs à 0,01 près par défaut. |
Masse volumique :
|
|
|
Une pyramide dont la base est un triangle équilatéral de 15 cm de
côté , a un volume de 1 732 cm3
. Calculer sa hauteur. Hauteur du triangle de base : h’ = 15 fois (racine de 3)
sur 2.= Aire de la base : B = 15 fois 15 fois (racine de 3) sur 2. fois 1 demi.
Calcul de la hauteur de la pyramide :
|
|
|
3 |
En prenant pour aire 50 cm² et pour épaisseur 3 mm, calculer la
masse de la pièce ( masse volumique du métal : 7600 kg/ m3 Volume de la pièce : V = 50 fois 0 ,3 soit 15 cm3 . La masse volumique du métal est de 7600 kg / mètre cube . ou 7,6
kg par décimètre cube ; soit 7,6
g / c m3 : masse de la pièce = 7,6 fois 15 = 114 soit 114 g ou 0,114 kg. |
|